کفشک NS3

قطر کارگیر 196

از {{model.count}}
14,100,000
13,959,000 تومان
1%
محصول مورد نظر موجود نمی‌باشد.
سیستم راهنما
سیستم راهنما را انتخاب کنید.
تعداد
نوع
  • {{value}}
کمی صبر کنید...

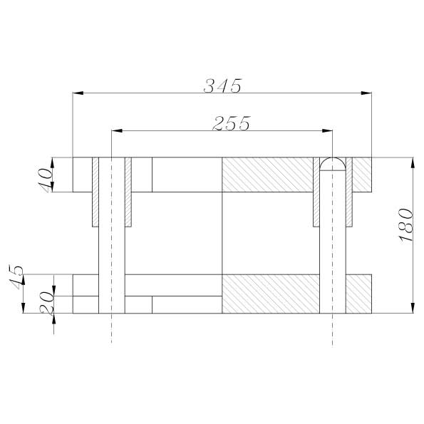
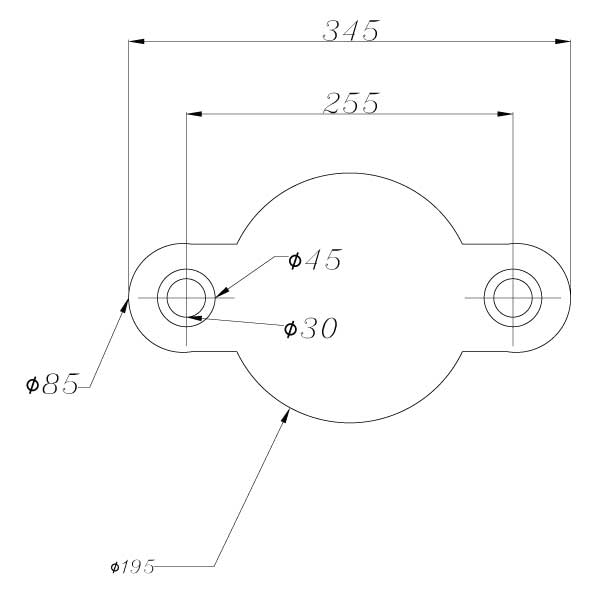
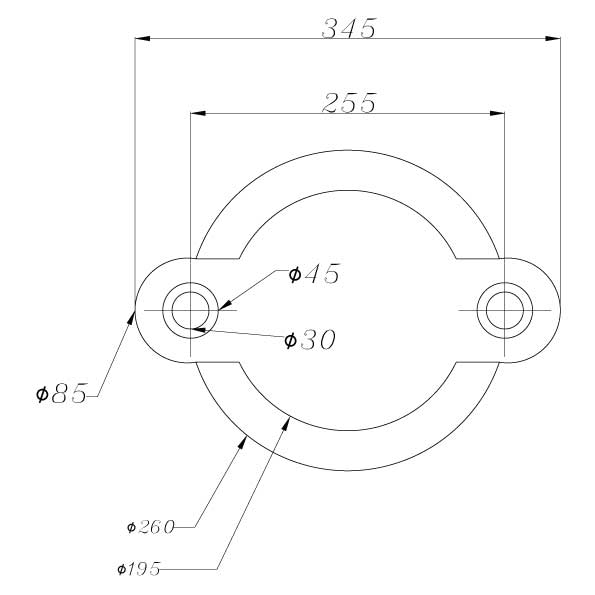
کفشک پرس گرد NS3 با سطح کارگیر 196 مناسب قالب های برش یا کشش نسبتا کوچک است اما به دلیل استفاده از میل راهنما با ارتفاع 180 میلیمتر استفاده از قالب های بلند را فراهم می کند .



محصولات مرتبط

ابعاد کارگیر (mm)
196
ارتفاع راهنما (mm)
180
قطر راهنما (mm)
30
ابعاد بیرونی (mm)
345*255
ضخامت رویه (mm)
40
ضخامت زیره (mm)
45
حداقل ارتفاع قالب(mm)
30
آلیاژ رویه و زیره
چدنgg20
آلیاژ میل راهنما
فولاد 7225
آلیاژ بوش
فولاد 7131
آلیاژ قفسه ساچمه
برنج
آلیاژ ساچمه
فولاد 1.3520

دیدگاه خود را بنویسید

  • {{value}}
این دیدگاه به عنوان پاسخ شما به دیدگاهی دیگر ارسال خواهد شد. برای صرف نظر از ارسال این پاسخ، بر روی گزینه‌ی انصراف کلیک کنید.
دیدگاه خود را بنویسید.
کمی صبر کنید...