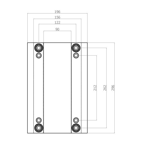
بلوک پلاستیک فولادی با ابعاد 156*296 میلیمتر با دو متریال 7225 تولید و عرضه می شود که هنگام خرید امکان انتخاب بین حالت های معمولی ، با مقاومت ، به همراه کفپران و ، به همراه کفپران با مقاومت وجود دارد . این بلوک با توجه به ابعادش مناسب قالب قطعات کوچک است .
دانلود فایل های محصول
محصولات مرتبط
ابعاد صفحات فولادیmm
156*296
ضخامت صفحات فولادیmm
27 و 37 و 46 و 56
طول بلوکmm
144 و 164 و 182 و 202
ابعاد صفحات پشت بندmm
196*296
ابعاد صفحات پرانmm
90*296
ضخامت صفحات پرانmm
12و17
قطر میله راهنماmm
20
آلیاژ صفحات فولادی
فولاد 7225
آلیاژ میل راهنما
فولاد 7225
آلیاژ بوش
فولاد 7225
متریال صفحات پران
آهن
متریال صفحات پشت بند
آهن
جنس پیچ ها
گرید 12,9


دیدگاه خود را بنویسید